Ремонт плазменного аппарата «Плазар» АП022
Благодарю, Леонид, про изолятор теперь наконец-то я понял. Насчет термопасты (я сам мастер по ремонту ПК, в теме то есть) и описываемого вами блока- о да, в этом запросто может быть, потому что пересохшая паста или даже механические повреждения типа падений у прежнего хозяина могли иметь место, так что буду рыть в этом направлении. Насчет красной лампочки не проблема, это индикатор включения горелки, перегрев там другая лампочка. Пламя вообще не появлялось, напряжение вообще не прыгало, хотя все делал по книге-инструкции.
Как разгадаю загадку или отремонтирую - обязательно отпишусь здесь, может кому пригодится.
Как разгадаю загадку или отремонтирую - обязательно отпишусь здесь, может кому пригодится.
- PirogSV
- Сообщений: 7
- Зарегистрирован: 30 сен 2013, 12:23
PirogSV писал(а):Насчет термопасты (я сам мастер по ремонту ПК, в теме то есть) и описываемого вами блока- о да, в этом запросто может быть, потому что пересохшая паста или даже механические повреждения типа падений у прежнего хозяина могли иметь место, так что буду рыть в этом направлении.
"Верной дорогой идете товарищи!"...

PirogSV, как мастер ПК мастеру ПК скажите: "Комп с процем без термопасты заведется или как? ... не про работать, а именно про завестись...
Лично на моей горелке Горыныча термопасты нет с тех самых пор, как она высохла и самостоятельно вполне успешно покинула своё штатное место...

Верю тем, кто слова подкрепляет действительностью, т.е. истиной! mail-agent [email protected], skype andrus301
- andrus
- Сообщений: 251
- Зарегистрирован: 27 янв 2011, 13:29
- Откуда: Тульская губерния
Леонид, проблема решена, благодарю за то, что не дали упасть духом.
В БП не полез, дождался знакомого электронщика, снова все разобрали, изолятор в порядке, термопаста в норме (даже еще мазалась, не усохла), контакт попал подозрение, который идет непосредствено к кнопке пуска, то есть там были два спаянных провода, которые не запрессованы были, а просто воткнуты пайкой в медную фиговинку, что примыкает к пружине. Зеленоватая ржавчинка оттуда ссыпалась, почистили все, закрутили на место все, что было, лишних деталей не обнаружили после сборки и после дозаправки начали запускать. Внимание! В инстукции было написано: Для сжатия возвратной пружины усилие нажима на кнопку должно составлять 2.3 кг. Не верьте, ложь! Точка между этими цифрами НЕ нужна! Не исключено, что в первые включения (до обращения на этот форум) я просто не до конца давил на эту сраную кнопку! Итог: после прочистки контактов и усиленного раз этак в десять нажатия на кнопку аппарат заработал. Теперь надо учиться на нем ровно резать
Всем добра!

В БП не полез, дождался знакомого электронщика, снова все разобрали, изолятор в порядке, термопаста в норме (даже еще мазалась, не усохла), контакт попал подозрение, который идет непосредствено к кнопке пуска, то есть там были два спаянных провода, которые не запрессованы были, а просто воткнуты пайкой в медную фиговинку, что примыкает к пружине. Зеленоватая ржавчинка оттуда ссыпалась, почистили все, закрутили на место все, что было, лишних деталей не обнаружили после сборки и после дозаправки начали запускать. Внимание! В инстукции было написано: Для сжатия возвратной пружины усилие нажима на кнопку должно составлять 2.3 кг. Не верьте, ложь! Точка между этими цифрами НЕ нужна! Не исключено, что в первые включения (до обращения на этот форум) я просто не до конца давил на эту сраную кнопку! Итог: после прочистки контактов и усиленного раз этак в десять нажатия на кнопку аппарат заработал. Теперь надо учиться на нем ровно резать


- PirogSV
- Сообщений: 7
- Зарегистрирован: 30 сен 2013, 12:23
подскажите где купить горелку для плазара? или для горыныча и как ее переделать на плазар? леонид писал что переделывал. сможешь сделать еще и отправить мне почтой и какая цена?
- иван
- Сообщений: 1
- Зарегистрирован: 28 янв 2014, 19:05
Здравствуй уважаемый! Горелку ГП 37 " Горыныч"я купил в павильоне "Космос" на ВДНХ, переходной кабель нужно изготовить самостоятельно. Выкладываю некоторые данные для его изготовления.
- леонид
- Сообщений: 29
- Зарегистрирован: 22 июн 2012, 11:40
Здравствуйте!Помогите отремонтировать плазар!В горелке что-то отвалилось,вернее сказать керамика лопнула!Если найдётся желающий купить б,у плазар пишите [email protected] аппарат совершенно новый в упаковке с инструкции ей!Очень и Очень ДЁШЕВО!
*** Antispam disabled. Check access key in CleanTalk module options. Antispam service cleantalk.org. ***
*** Antispam disabled. Check access key in CleanTalk module options. Antispam service cleantalk.org. ***
- jaw1
- Сообщений: 2
- Зарегистрирован: 13 июн 2014, 18:26
Здравствуйте уважаемые! Как и обещал, после сборки и проверки работы плазменной горелки хочу еще дополнительно высказать свои впечатления от ремонта своими руками.
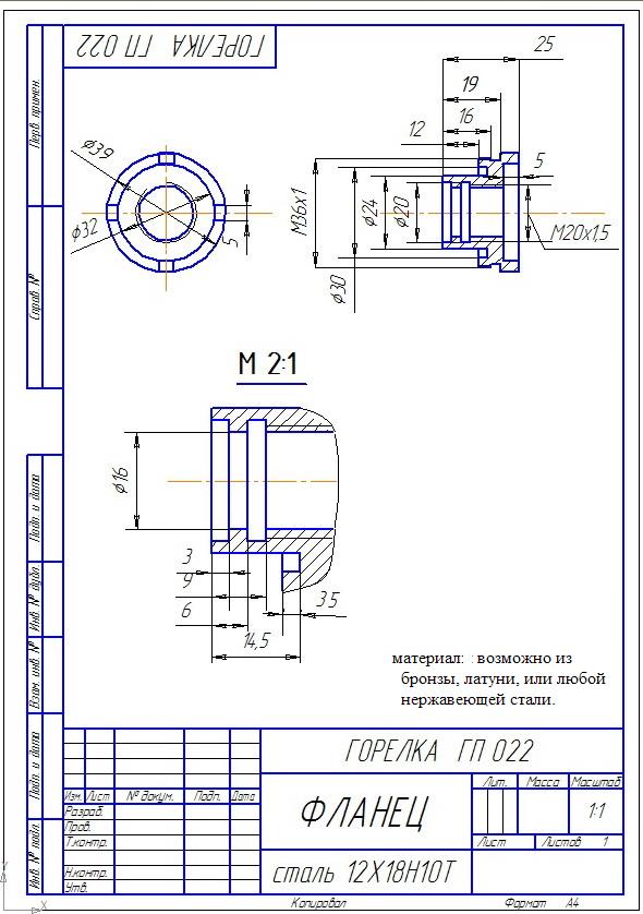
Замена лопнувшего изолятора не такая уж проблема. Как оказалось в данной горелке имеет место конструкторская ошибка при выборе материала "торцевого фланца",(так я его условно назвал) . Алюминиевый сплав подвергается электрохимической коррозии и , как следствие, разрушился. Повторное использование его стало проблемным. Пришлось изготовить новую деталь, но уже из другого материала. Мне под руку попался кусок бронзы. Вот из него и изготовил эту деталь. Выкладываю чертеж этой детали ,кому- то возможно это пригодится.
Замена лопнувшего изолятора не такая уж проблема. Как оказалось в данной горелке имеет место конструкторская ошибка при выборе материала "торцевого фланца",(так я его условно назвал) . Алюминиевый сплав подвергается электрохимической коррозии и , как следствие, разрушился. Повторное использование его стало проблемным. Пришлось изготовить новую деталь, но уже из другого материала. Мне под руку попался кусок бронзы. Вот из него и изготовил эту деталь. Выкладываю чертеж этой детали ,кому- то возможно это пригодится.
- леонид
- Сообщений: 29
- Зарегистрирован: 22 июн 2012, 11:40
Леонид Вы разбирали горелку, помогите пожалуйста советом. Не работает кнопка пуска на горелке, т.е пружина не возвращает её в исходное положение. Как открутить катододержатель на горелке? Не могу никак открутить, боюсь что либо сломать.
- Dimsan
- Сообщений: 4
- Зарегистрирован: 03 дек 2014, 22:44
Здравствуйте уважаемый Dimsan! Если Вы просмотрели все по ремонту Горелки Плазара, то на ваш вопрос скажу следующее, открутить надо деталь, которую я разместил на чертеже, (последний на 3 странице) . Я откручивал с помощью велосипедного ключа, (потом пришлось изготовить спец ключ). Откручивать пришлось с применением молотка.При этом открутить удалось не сразу, но удалось. Там вы увидите все что мешает работе горелки, так называемая коррозия детали из алюминиевого сплава. Я неслучайно поместил чертеж детали, скорее всего (в зависимости от состояния этой детали на вашей горелке)ее надо изготовить новую, из другого материала, я для себя применил бронзу, но можно что-либо иное, (дабы исключить коррозию материалов в данном месте). А на фото и чертеже горелки в 3D формате Вы поймете где не надо применять чрезмерную силу. Итак Успехов Вам, будут вопросы, задавайте, по возможности отвечу.
- леонид
- Сообщений: 29
- Зарегистрирован: 22 июн 2012, 11:40
Доброго времени суток форумчанам!
Прошу совета-где раздобыть керамические изоляторы и можно ли заменить материал катододержателя титаном?? кто сможет скинуть полный чертеж горелки?
Спасибо! С уважением, Евгений.
Прошу совета-где раздобыть керамические изоляторы и можно ли заменить материал катододержателя титаном?? кто сможет скинуть полный чертеж горелки?
Спасибо! С уважением, Евгений.
- volvox
- Сообщений: 2
- Зарегистрирован: 06 мар 2015, 23:15
Вернуться в Ремонт оборудования
Кто сейчас на форуме
Сейчас этот форум просматривают: нет зарегистрированных пользователей и гости: 9