Текущее время: 05 дек 2025, 23:17
Вход

Ремонт плазменного аппарата «Плазар» АП022

Вопросы по ремонту и обслуживанию, схемы и пр.

Сообщение Admin » 16 мар 2015, 20:20

Изготавливать катододержатель из титана не пробовали. Элион выпускал много вариантов горелок. Надо знать, какая именно у Вас, чтобы подобрать чертеж. Изоляторы можно заказать через [email protected]
Admin
Администратор
 
Сообщений: 119
Зарегистрирован: 07 окт 2010, 01:46

Сообщение volvox » 04 апр 2015, 00:44

Здравствуйте Леонид! прошу Вас поделиться советом по ремонту-моя почта yoperniy-teatr@yandex.
Спасибо!
volvox
 
Сообщений: 2
Зарегистрирован: 06 мар 2015, 23:15

Сообщение Dimsan » 27 апр 2015, 11:54

Здравствуйте. При включении аппарата "Плазма 2007" горит лампочка перегрев. Очень большая просьба, подскажите пожалуйста в чём причина может быть?
Dimsan
 
Сообщений: 4
Зарегистрирован: 03 дек 2014, 22:44

Сообщение рэм » 10 ноя 2015, 20:56

Добрый день. Приобрёл Плазар новый, 2006 года выпуска, но лежавший до этого времени на складе. На шестой заправке горелки произошла поломка: пошёл дым из внутренней полости горелки, пламя погасло. Разборка горелки вызвала затруднения: капролоновая деталь в задней части горелки выплавилась и шайбы, которые служат упором пружины тяги катода замкнули на испаритель. Выточил новую заднюю пробку из бронзы вместо дюрали (родная дюралевая за время хранения корродировала и в пластилин превратилась), а что там дальше делать - непонятно. Может, кто-нибудь скинет эскизик капронитовой детальки и как организовано уплотнение штока катода, чтобы в сторону кнопки запуска дуги пар не прорывался. У меня там всё сгорело, конструктив не ясен. Изолятор тоже покрошился при разборке, сделаю фторопластовый. Заранее огромное спасибо откликнувшимся.
рэм
 
Сообщений: 17
Зарегистрирован: 10 ноя 2015, 06:25

Сообщение леонид » 11 ноя 2015, 09:19

Здравствуйте уважаемый рэм ! Ваша проблема понятна, на некоторые вопросы отвечу сразу, так по вопросу изолятора, пробовал ставить фторопластовую трубку, какое то время она служит исправно, но температурный режим сверх допустимого для данного материала. Одним словом это не решает проблемы. В данный момент я нашел для себя выход в использовании кварцевой трубки, заказывал в Гусь-Хрустальном,попросил отобрать по внутреннему диаметру подходящие трубки (это возможно за счет допусков на размеры труб) ну и подошли для установки. Еще в этом моменте есть одна тонкость, Как уже писали представители завода, что в те годы горелки отличались друг от друга по некоторым параметрам и элементам, Так вот мне довелось увидеть две разные горелки, в части фиксации керамического изолятора, да и самого изолятора, один из них был сплошной трубкой с проточкой на одном конце , а в другом случае изолятор состоял из трех или четырех частей с конусным примыканием друг к другу, в этом случае проточек на концевой части не было,фиксация была намного сложнее и видимо решили упростить , но для эксплуатации, т.е.замены изолятора этот вариант был лучше,взял гладкую трубку и без всяких подгонок и заменил. Я почему так подробно на этом остановился, в зависимости от того ,что Вы имеете и присоединительные размеры изолятора будут отличаться. Далее, при заказе трубок (кварцевых) катод в них должен входить свободно с небольшим зазором и при эксплуатации следить за тем, что- бы он не был погнут.
Далее по вопросу уплотнения штока, я взял масло-бензостойкую резину толщиной около 1 мм,(т.е.какая нашлась в запасах) наружный размер по проточке в бронзовой детали, внутренний, куда проходит шток (держатель катода) пробил заточенной трубкой диаметром меньше диаметра уплотняемой части штока. При сборке на сам шток рекомендую установить фторопластовые трубочки-изоляторы.
По поводу оплавившегося пластикового корпуса пускового устройства( так он официально назван в запчастях ) наверное надо сделать попытку заказать у производителя, т.е. правопреемника через [email protected], а если не получится, то делать чертеж и вытачивать, ну хотя бы из фторопласта или другого подходящего пластика. Если есть возможность выложить фото, то по нему можно было бы что-то еще сказать. Ну и желаю успехов .
Да и для информации, когда у меня начались разные проблемы с горелкой Плазара , я уже показывал возможность работы горелки "Горыныча" от блока питания "Плазара",так вот все работает исправно и я пользуюсь двумя горелками, преимущественно одна для резки вторая для сварки
леонид
 
Сообщений: 29
Зарегистрирован: 22 июн 2012, 11:40

Сообщение рэм » 11 ноя 2015, 18:04

Здравствуйте, уважаемый Леонид! Спасибо огромное за развёрнутый ответ. Выложу фотки с комментариями. Ещё несколько вопросов, если можно. Какой длины должен быть изолятор? Он у меня раскрошился и воссоздать не получилось, чтобы замерить. Кстати, изолятор сплошной, из одной части. Пластиковый корпус пускового устройства тоже в задней части расплавился. Не могу замерить. Состряпал эскиз по своим умозаключениям, как по-моему должно быть. Правильно нарисовал, или что-то доработать нужно? И в каком месте резинку уплотнения ставить? Между пластиковым корпусом пускового устройства и задней стенкой задней пробки (которая родная дюралевая, а я бронзовую выточил), или между пластиковым корпусом пускового устройства и бронзовой шайбой, служащей упором пружины пускового устройства? После предварительной сборки остаётся оголённая часть штока катода в том месте, где на испарителе прорези (около донышка пластикового корпуса пускового устройства.)На сборочной схеме так же нарисовано. Так и должно быть?
С уважением, Евгений.
Вложения
Сборка.jpg
Вот эту схемку нарыл. Принцип понятен, детали не видны.
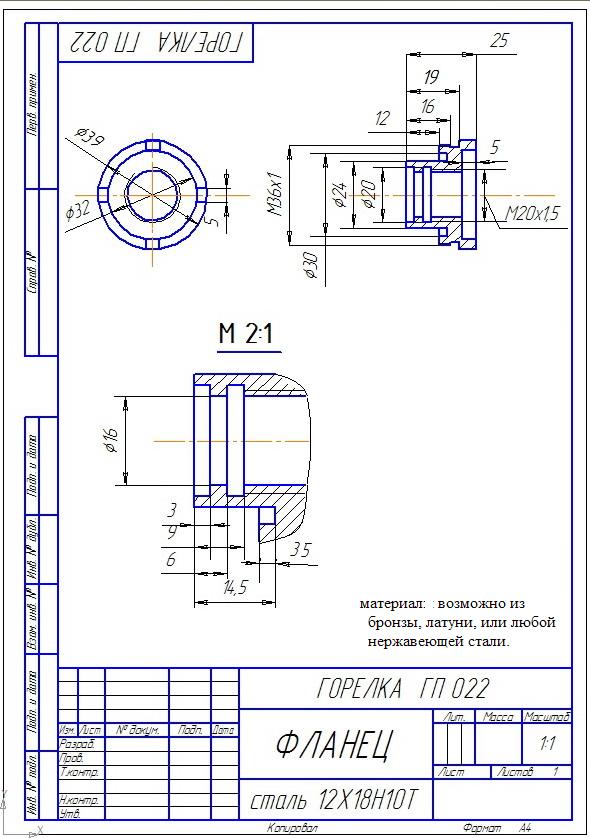
фланец ГП 022.jpg
Сделал заднюю пробку по этому чертежу, только диаметр внутренний не 16мм, а 15мм (как на старой было.)
IMG_20151111_160131.jpg
Вот такой длины изолятор сделал (до прорезей на испарителе.)
IMG_20151111_155858.jpg
Вот так нарисовал пластиковый корпус пускового устройства. У меня там, где я изобразил донышко толщиной 6мм с отверстием ф4,2мм всё выплавилось.
IMG_20151111_155633.jpg
Вот так изолятор я представил.
IMG_20151111_155601.jpg
Старый и сегодня выточенный пластиковый корпус пускового устройства.
IMG_20151111_155534.jpg
Шток катода тоже пострадал - замкнул с шайбой упора пружины пускового устройства. На фото уже заплавлен нержавейкой в среде аргона и проточен в размер.
IMG_20151111_155517.jpg
Это вид изолятора со стороны сопла.
IMG_20151111_155436.jpg
Это вид пластикового корпуса пускового устройства старого расплавленного (слева) и нового (как по-моему должно было быть.)
IMG_20151111_155407.jpg
То же крупнее.
IMG_20151111_115525.jpg
Это то, что осталось от изолятора (сверху) и новый из фторопласта (как по-моему он должен быть.)
IMG_20151111_115503.jpg
Замкнувшая упорная шайба пружины пускового устройства и вновь выточенная.
IMG_20151111_115449.jpg
Слева причина всех повреждений - сквозная коррозя.
IMG_20151111_115435.jpg
Задние пробки - старая и новая.
рэм
 
Сообщений: 17
Зарегистрирован: 10 ноя 2015, 06:25

Сообщение рэм » 12 ноя 2015, 19:37

Доброго времени суток всем! В общем так... Всё собрал, только задний фланец прикрутил без герметика, фумку на выходе резьбы мотанул. Заработала горелка. Одну заправку резал железки, вторую - сваривал. Не знаю, насколько хватит фторопластового изолятора. Кроме него, по-моему, теперь там ломаться нечему. Да, уплотнил шток катода колечком резиновым 004-007-19. Поставил его между упорной шайбой пружины пускового устройства и донышком пластикового корпуса пускового устройства. Нигде не парит.
рэм
 
Сообщений: 17
Зарегистрирован: 10 ноя 2015, 06:25

Сообщение леонид » 13 ноя 2015, 17:15

Здравствуйте уважаемый рэм ! Рад за Вас что все состыковалось и заработало. Судя по фотографиям в вашем аппарате керамическая трубка(изолятор) не имеет на конце проточки для фиксации Я выложу фотографии различных изоляторов ,которые мне встречались, я думаю что фторопласт долго не простоит, ну а если будет исправно работать, то как долго хотелось бы узнать. Итак варианты изоляторов на фото:
здесь три варианта. Кварцевые трубки в одном случае обтачивал с одного конца на диаметр 9мм на длину 10 мм а в другом случае только конусную фаску и размер по длине. Возможно Вам эта информация пргодится вдальнейшем. желаю успехов
Вложения
SP_A0214-5_cr.jpg
SP_A0215-5_cr.jpg
леонид
 
Сообщений: 29
Зарегистрирован: 22 июн 2012, 11:40

Сообщение рэм » 13 ноя 2015, 18:32

Доброго дня, уважаемый Леонид! После 6 заправок посмотрел состояние фторопластового изолятора и был неприятно удивлён двумя вещами! Первое - это то, что на длину 15мм со стороны катода изолятор значительно выгорел, хоть и работала горелка без нареканий до конца. Второе - это то, что я второпях забыл установить стопорное пружинное кольцо для фиксации изолятора и, возможно, вследствие этого изолятор сместился вперёд до сопла и обгорел на 15мм. Остальное тело изолятора было как новое. Поэтому для себя сделал вывод: фторопласт тут не годится. Кроме того, после нагрева фторопласта до 400 градусов выделяется крайне токсичный газ. Сегодня приехал на работу на час раньше и до конца дня между делом смастерил вот такой изолятор.
Вложения
Копия IMG_20151113_132905.jpg
Использовал остаток старого керамического изолятора. Слева нарастил до необходимой длины фторопластом (на поксиполе прилепил), а спереди одел медную трубку ф12х10 и длиной 6мм. Передний край медной трубки немного развальцевал, чтобы изолятор только не провалился в неё насквозь, а упёрся в развальцовку. От спадания этого медного колечка я его уже на изоляторе осторожно обжал в кулачках токарного патрона.
рэм
 
Сообщений: 17
Зарегистрирован: 10 ноя 2015, 06:25

Сообщение рэм » 13 ноя 2015, 18:45

3 заправки сейчас спалил, достал изолятор - как новый. Даже поксипол , который 120 градусов всего держит, не отклеился. Видимо, сзади нет такой температуры, а может быть он при работе размягчается, а при остывании опять схватывается. Решил пока так оставить и не перегружать аппарат - до 5 ампер ток держать буду. Написал в гусь-Хрустальный на завод вопрос по трубкам кварцевым. Пока молчат... Может пятница, у всех уже выходной на уме...
рэм
 
Сообщений: 17
Зарегистрирован: 10 ноя 2015, 06:25

Пред.След.

Вернуться в Ремонт оборудования

Кто сейчас на форуме

Сейчас этот форум просматривают: нет зарегистрированных пользователей и гости: 13

cron

Кто сейчас на форуме

Сейчас посетителей на форуме: 13, из них зарегистрированных: 0, гостей: 13 (основано на активности пользователей за последние 5 минут)
Больше всего посетителей (995) на форуме было 26 окт 2024, 13:23

Сейчас этот форум просматривают: нет зарегистрированных пользователей и гости: 13

Login Form